溶氣式氣浮機

一、工作原理
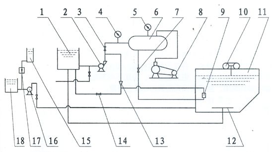
污水經絮凝反應后進入混合區,與溶氣水混合接觸。絮體與溶氣水中的小氣泡相互粘合,然后進入氣浮區,并隨小氣泡一同浮到水面,形成浮渣。下層的清水經集水器流至清水池后,一部分回流作溶氣水,剩余清水通過溢流口流出。氣浮池上面的浮渣由刮板刮至污泥池并排出。
二、用途特點
氣浮機處理能力大、效率高、占地少,而且結構簡單操作維修方便,尤其適合去除水中難以沉淀的輕浮絮體,因此,近年來,氣浮機在給排水及污水處理中得到了越來越廣泛的應用。
三、規格型號
氣浮機的處理能力可為2~300m3/h,也可以按用戶要求進行設計。
四、主要技術參數
氣浮設備處理能力可分為:3、 5、10、20、30、40、50、60、80、100、150、200、250、300m3/h等規格,也可按用戶要求設計。
五、工作原理
經加藥反應后的污水進入氣浮機的混合區,與釋放后的溶氣水混合接觸,使絮體粘附在細微氣泡上,然后進入氣浮區,絮凝體在氣浮力的作用浮向水面形成浮渣,下層的清水經集水器流至清水池后,一部分回流作溶氣水使用,剩余清水通過溢流口流出。氣浮池水面上的浮渣聚集到一定厚度以后,由刮沫機刮入氣浮機污泥池后排出。
1、清水池 2、清水泵 3、控制閥 4、壓力表5、壓力表 6、溶氣罐 7、控制閥 8、空壓機
2、9、釋放器 10、刮沫機 11、氣浮池 12、集水器13、射流器 14、閥門 l5、投藥罐 16、污水泵
3、17、流量計 18、污水池

